Многие считают, что сделать электропроводку в ванной может только электрик. Конечно, у проводки в ванной комнате много особенностей, но сделать ее реально своими руками. Как, читайте ниже.
Приборы и материалы
Разводку светильников и вентилятора всегда делают отдельно от розеток. Поэтому и комплектующие нужны разные.
Что нужно для проводки электрики к осветительным приборам и вентилятору?
В этом случае отдельный автомат (он отключает подачу тока при замыкании и перегрузках) в щиток не ставят. Используют общий, который для освещения нескольких комнат в доме. Например, от него идет провод к коробке, а уже оттуда кабели расходятся к светильникам и вентиляторам сразу в кухне, коридоре, ванной и туалете.


Мощность такого автоматического выключателя должна быть всего 10 А. Он выдерживает до 2,2кВт (2200 Вт) нагрузки в час. Расшифровываем — в российских квартирах чаще всего стоят лампочки с мощностью не более 40-60 Вт. Вот и посчитайте, сколько их необходимо, чтобы автомат выбило.
В комплекте с автоматическим выключателем чаще всего идет УЗО. Это устройство защитного отключения, которое вырубает автомат при утечке тока. Если УЗО в щитке нет, его легко можно добавить, не меняя щитка и тем более проводки в ванной и во всем доме.
Также понадобятся медные провода с сечением 1,5 с хорошей изоляцией и заземлением. А именно: кабель NYM. В отличие от других проводов, у него тройная изоляция, с которой вероятность утечки почти равна нулю.
Что понадобится для проводки электричества к розеткам?
Чтобы сделать электропроводку в ванной комнате к розеткам, нужен отдельный автомат в 25 А, который выдерживает напряжение в 5500 Вт. Если взять с мощностью поменьше, его может выбивать. Ведь одна стиральная машинка потребляет до 2500 Вт в час.


УЗО для розеток в ванной тоже чаще всего устанавливают отдельное. Его номинальный ток должен быть равен или чуть больше мощности автомата. Например, для автомата в 25 А подойдет УЗО в 30 мА. Если установить УЗО с меньшим номинальным током, оно будет часто и без причины срабатывать. А с большим – не сработает даже в случае утечки.
Еще вам потребуется монтажная коробка с задней стенкой для разводки проводов и кабель NYM с заземлением и сечением 2,5 (3*2,5). Тоньше будет перегреваться, а толще ни к чему.
Как сделать проводку в ванной?
На монтаж электропроводки в ванной комнате порой уходит целый день, а то и два. Однако работа это скорее кропотливая, чем сложная. Убедитесь сами:
1.Сначала нарисуйте схему расположения всех светильников и розеток на листочке. Она, зависит от того, какие электроприборы находятся в ванной, и где именно. Если у вас нет чего-то сейчас, например, бойлера или полотенцесушителя, но может появиться в будущем, сделайте для них проводку и установите розетки заранее.


О нормативах освещения ванных комнат и туалетов прочитайте в методическом материале на нашем сайте
2. Далее сделайте разметку на стенах карандашом или строительным маркером там, где пойдут провода. Помните, что для лампочки кабель прокладывают в 2 этапа. Сначала ведут один провод от коробки до выключателя, а потом второй (третий, четвертый и т.д. – в зависимости от количества ламп) от выключателя до лампочки.


3.Согласно разметке, перфоратором сделайте штробы для проводов, монтажной коробки и выключателя.
4.Основа подготовлена, и теперь можете начинать непосредственный монтаж электропроводки в ванной комнате. Отключите электропитание, откройте коробку, от которой расходится проводка на освещение и вентиляторы. В боковое отверстие коробки введите один конец провода, который пойдет до выключателя.
5.Зачистите этот конец от изоляции перочинным ножиком или специальными кусачками на 1-2 см.


6.Скрутите жилы провода с жилами разводного кабеля в коробке, чтобы нейтраль оказался с нейтралем, фаза с фазой, а заземление с заземлением. А чтобы соединение получилось надежным, на места скруток оденьте гильзы и зажмите их пресс-клещами. Обмотайте гильзы изоляционной лентой ХБ для сухих помещений.


7.Закрепите этот провод и провод от выключателя до светильника в штробах с помощью дюбель-хомутов. Так же установите отдельный провод для вентилятора.


О том, какое освещение подходит лучшим образом для натяжных потолков, вам расскажут наши эксперты в рубрике, посвященной натяжным потолкам


8. Возьмите кабель NYM 3*2,5 и подключите к электрощитку. Для этого зачистите 1 конец провода на 1 см. Фазу L закрепите в соответствующем контакте на автомате. Нейтраль N на нулевой шине. А желто-зеленый проводник заземления PE на шине заземления.
УЗО с автоматом и нулевой шиной связываются отрезками проводов L и N, как показано на схеме. Для этого отрезки одной стороной вставляют в соответствующие контакты на УЗО. Другой конец провода L в контакт на автомате, а N – на нулевой шине, и зажимают.


О том, как скомбинировать люстру или светильник с натяжным потолком, узнайте в инструкции на нашем сайте
9. Вставьте в штробу монтажную коробку, подведите к ней провод. И дальше делайте то же самое, что и при монтаже электропроводки для светильников в ванной.
10. Заделайте штробы с проводами шпатлевкой. При этом в ванной обязательно нужно использовать влагостойкую.
Зачем делать заземление в ванной?
Далеко не все знают, что такое заземление ванной комнаты и зачем его делают. На самом деле, это когда с помощью специальных желто-зеленых проводов все предметы, проводящие электричество: трубы, змеевик, ванну, душевой поддон, стиральную машинку и т.д. – подключают к системе уравнивания потенциалов (СУП).


Если этого не сделать, в случае утечки электричества один предмет может оказаться больше наэлектризован, чем другой. То есть у них окажется разный электрический потенциал. И если прикоснуться к ним одновременно, ваше тело выступит в роли проводника тока. Другими словами, шарахнет так, что мало не покажется.
СУП, когда она есть, уводит электричество через провода в землю. И если даже утечка большая, и ток не успевает уходит, между всеми предметами он распределится одинаково, и вас не ударит.
Акриловая ванна не проводит ток, но накапливает статическое электричество. Конечно, особого вреда от него нет, но и приятного тоже мало. Поэтому акриловые ванны лучше все-таки заземлять.
Как заземлить ванную комнату?
-

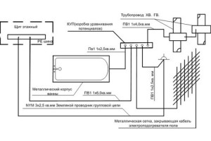
- Схема заземления ванной
-


- СУП помещают в монтажную коробку
Чтобы заземлить ванную, там устанавливают специальный распределитель (это и есть СУП). А от него ведут несколько проводов заземления: 1 к щитку, а остальные ко всем потенциальными проводниками тока.
К разным предметам провода заземления подсоединяют по-разному.


Например, к ваннам и поддонам – с помощью соединяющих перемычек. Чтобы установить их на ванну старого образца или акриловую, просверлите в ножке отверстие и закрепите перемычку с помощью болта и гайки.
В ванных из стали и чугуна для крепление провода заземления есть специальный лепесток.


Провода к трубам, змеевикам, и водонагревателям крепятся с помощью специальных хомутов в виде колечек с отверстиями. Такое колечко одевают на трубу, а потом его концы скрепляют с помощью того же болта.
Если трубы спрятаны в стенах, то хомуты можно закрепить на смесителях либо душевых стояках.


Чтобы заземлить стиральную машину нового образца, достаточно подвести провод с заземлением к розетке. А дальше заземление проходит через шнур и внутри соединяется с корпусом стиральной машины.
Если в шнуре провода заземления нет, корпус нужно заземлять самому. Для этого сделайте небольшое отверстие в верхней крышке и закрепите провод с заземляющей перемычкой так же, как и на ножке ванны.


Заземлить электрический пол очень просто. Для этого уложите в стяжку над ним металлическую сетку и с помощью клеммы присоедините к ней провод заземления.
И, наконец, если у вас в ванной есть металлическая вентиляционная труба, также заземлите ее перемычкой.
